Jednobodový jazyk s omezovačem, H-42 mm (pro C=18)
Jednobodový jazyk s omezovačem, H-42 mm (pro C=18)
Značka
Kód produktu
15.1031.232123
Kód produktu
15.1031.232123
Typ jazyka
jednopunktowy
H pro C=12
36
H pro C=18
42
H pro C=30
54
H pro C=40
64
H pro C=45
69
H pro C=50
74
H pro C=56
80
H pro C=60
84
Stav obalu
oryginalne
Standardní materiál:
- Pozinkovaná ocel
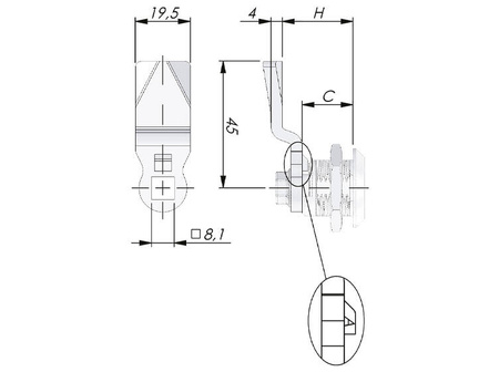
Technický výkres:
- A - zarážka
- C - výška krytu
- H - výška zajištění
* jednoduchý jazyk
Automatický překlad s využitím umělé inteligence.
Dotaz na výrobek
Kód produktu:
15.1031.232123
Přidat recenzi









