Montážní hřídel s kuličkovou pojistkou, samojistící, s tlačítkem D-20; d1-5; d2-5,5; I2-20
Montážní hřídel s kuličkovou pojistkou, samojistící, s tlačítkem D-20; d1-5; d2-5,5; I2-20
- Kliknij i zobacz ten produkt oraz inne rozmiary
Značka
Kód produktu
50.0001.20050201.4305INOX
Kód výrobce
2010000590072
Kod grupy towaru
50.0001
Kód produktu
50.0001.20050201.4305INOX
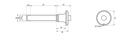
d1
5
d2
5,5
d3
11,3
l1
6
l2
20
l3
20,7
l4
14,6
l5
17,6
Montážní otvor H11
5
Minimální dvojitá smyková pevnost kN
14
D
20
Stav obalu
oryginalne
Materiál:
- Část čepu: nerezová ocel 1.4305
- Část čepu: nerezová ocel 1.4542 disperzně kalená
- Držadlo: hliník
- Průchodka: nerezová ocel
- Tlačítko: nerezová ocel, černá
Povrch:
- půlmatný
Standardní barva:
- Držadlo a tlačítko: černé
- Čep: přírodní barva oceli
Speciální výroba na objednávku:
- možnost montáže upevňovacího lanka
- držadlo a tlačítko v barvách RAL nebo speciálních barvách
Automatický překlad pomocí umělé inteligence.
Dotaz na výrobek
Kód produktu:
50.0001.20050201.4305INOX
Přidat recenzi




