Montážní hřídel se samojistícím kuličkovým zámkem, s tlačítkem D-35; d1-12; d2-4,5; l2-35
Montážní hřídel se samojistícím kuličkovým zámkem, s tlačítkem D-35; d1-12; d2-4,5; l2-35
- Kliknij i zobacz ten produkt oraz inne rozmiary
Značka
Kód produktu
50.0001.35120351.4542INOX
Kód výrobce
2010000590744
Kod grupy towaru
50.0001
Kód produktu
50.0001.35120351.4542INOX
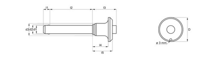
d1
12
d2
14,5
d3
17,7
l1
10,6
l2
35
l3
33,2
l4
22,3
l5
27,3
Montážní otvor H11
12
Minimální dvojitá smyková pevnost kN
144
D
35
Stav obalu
oryginalne
Materiál:
- Část čepu: nerezová ocel 1.4305
- Část čepu: nerezová ocel 1.4542 disperzně kalená
- Držadlo: hliník
- Průchodka: nerezová ocel
- Tlačítko: nerezová ocel, černá
Povrch:
- půlmatný
Standardní barva:
- Držadlo a tlačítko: černé
- Čep: přírodní barva oceli
Speciální výroba na objednávku:
- možnost montáže upevňovacího lanka
- držadlo a tlačítko v barvách RAL nebo speciálních barvách
Automatický překlad pomocí umělé inteligence.
Dotaz na výrobek
Kód produktu:
50.0001.35120351.4542INOX
Přidat recenzi







