Pohyblivá patka s montážními otvory D-80mm M10 x 100mm
Pohyblivá patka s montážními otvory D-80mm M10 x 100mm
- Kliknij i zobacz ten produkt oraz inne rozmiary
Značka
Kód produktu
38.2201.10516025
Kód produktu
38.2201.10516025
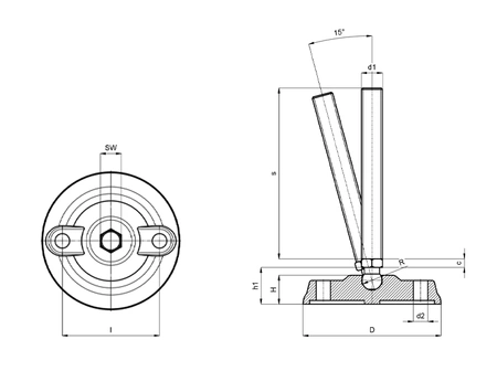
D
105
H
22
d2
9,5
l
74
d1
M16
S
25
SW
17
c
7,5
R
15
h1
28
Počet kusů
1
Stav obalu
oryginalne
Maximální šířka cm
10,5
Výška cm
2.5
Dominantní materiál
tworzywo sztuczne
Tvar
okrągły
Model
M16x25 D105
Materiál:
- Vřeteno: závitové, pohyblivé, z pozinkované oceli
- Talíř: polyamid posílený skleněnými vlákny
Upevnění k podkladu:
- základna nohy má zaslepené montážní otvory, pro připevnění základny k podkladu je třeba vyrazit plastovou zaslepovací membránu (viz: obrázek).
Povrch:
- matný
Standardní barva:
- černá (RAL 9011)
Výroba na speciální objednávku:
- jiná délka vřetena
Automatický překlad pomocí umělé inteligence.
Dotaz na výrobek
Kód produktu:
38.2201.10516025
Přidat recenzi










