
Montagestift mit Kugelsicherung und Selbstverriegelung, mit Druckknopf D-20; d1-5; d2-5,5; I2-10
Montagestift mit Kugelsicherung und Selbstverriegelung, mit Druckknopf D-20; d1-5; d2-5,5; I2-10
- Kliknij i zobacz ten produkt oraz inne rozmiary
Marke
Produktcode
50.0001.20050101.4305INOX
Herstellercode
2010000590058
Kod grupy towaru
50.0001
Produktcode
50.0001.20050101.4305INOX
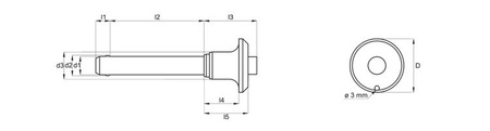
d1
5
d2
5,5
d3
11,3
l1
6
l2
10
l3
20,7
l4
14,6
l5
17,6
Befestigungsloch H11
5
Doppelte Scherfestigkeit min. kN
14
D
20
Verpackungszustand
oryginalne
Material:
- Bolzenteil: Edelstahl 1.4305
- Bolzenteil: Edelstahl 1.4542 ausscheidungsgehärtet
- Griff: Aluminium
- Feder: Edelstahl
- Knopf: Edelstahl, schwarz
Oberfläche:
- halbmatt
Standardfarbe:
- Griff und Knopf: schwarz
- Bolzen: natürliche Stahlfarbe
Sonderanfertigung:
- Möglichkeit zur Montage eines Befestigungsseils
- Griff und Knopf in RAL-Farben oder Sonderfarben
Automatische Übersetzung mit künstlicher Intelligenz.
Stelle eine Frage
Produktcode:
50.0001.20050101.4305INOX
Bewertung hinzufügen







