
Horizontaler verstellbarer Kniehebelspanner, Öffnung 40 mm, Verstellung 35 mm, 2500 N
Horizontaler verstellbarer Kniehebelspanner, Öffnung 40 mm, Verstellung 35 mm, 2500 N
- Kliknij i zobacz ten produkt oraz inne rozmiary
Marke
Produktcode
55.0002.0400035
Produktcode
55.0002.0400035
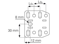
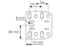
L1
217
L2
77
L3
40
L4
25,5
L6
53
L5
113
L7
38
L8
72
H1
47
H2
158
H3
14
H4
50
H5
27
B1
13
B2
8
B3
32
B4
60
Montagebohrung
6,5
Verpackungszustand
oryginalne
Horizontaler Kniehebelspanner mit horizontaler Auflage, vertikalem Spannarm und automatischer Höhenverstellung.
Material:
- Konstruktion: Hochwertiges Stahlblech
- Griff: Zweikomponenten-Kunststoff beständig gegen Schmierstoffe
Automatische Übersetzung mit künstlicher Intelligenz.
Stelle eine Frage
Produktcode:
55.0002.0400035
Bewertung hinzufügen








