
Vertikal verstellbare Kniehebelklemme, Öffnung 35 mm, Verstellung 20 mm, 1100 N
Vertikal verstellbare Kniehebelklemme, Öffnung 35 mm, Verstellung 20 mm, 1100 N
- Kliknij i zobacz ten produkt oraz inne rozmiary
Marke
Produktcode
55.0001.0350020
Produktcode
55.0001.0350020
L1
92
L2
50
L3
20
L4
16
L6
43
L7
35
L8
60
L9
123
H1
41
H2
100
H3
10
H4
42
H5
129
B1
10
B2
6
B3
24
B4
48
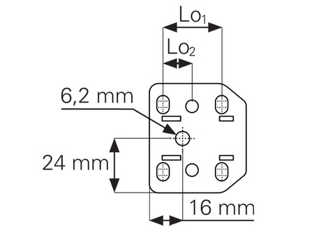
Montagebohrung
5,5
Verpackungszustand
oryginalne
Vertikale Kniehebelspanner mit horizontaler Auflage, vertikalem Spannarm und automatischer Höhenverstellung der Befestigung.
Material:
- Konstruktion: hochwertiges Stahlblech
- Griff: zweikomponentiger, schmiermittelbeständiger Kunststoff
Automatische Übersetzung mit künstlicher Intelligenz.
Stelle eine Frage
Produktcode:
55.0001.0350020
Bewertung hinzufügen








