
Adjustable foot with mounting holes D-80mm M10 x 100mm
Adjustable foot with mounting holes D-80mm M10 x 100mm
- Kliknij i zobacz ten produkt oraz inne rozmiary
Brand
Product code
38.2201.10516150
Product code
38.2201.10516150
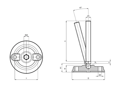
D
105
H
22
d2
9,5
l
74
d1
M16
S
150
SW
17
c
7,5
R
15
h1
28
Number of pieces
1
Package condition
oryginalne
Maximum width cm
10,5
Height cm
15
Dominant material
tworzywo sztuczne
Shape
okrągły
Model
M16x150 D105
Material:
- Spindle: threaded, movable, made of galvanized steel
- Plate: glass fiber reinforced polyamide
Mounting to the base:
- the base of the foot has blind mounting holes, to attach the base to the substrate, the plastic membrane must be punched out (see: drawing).
Surface:
- matte
Standard color:
- black (RAL 9011)
Special orders:
- different spindle length
Automatic translation using artificial intelligence.
Ask a question
Product code:
38.2201.10516150
Add an opinion



















